Página 3 de 23
RELACIÓN ESFUERZO-DEFORMACIÓN DEL ACERO
Sea una barra de acero al bajo carbono (A-36) sujeta a tensión con sección circular.

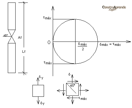
Todos los elementos de distintos materiales a nivel molecular fallan a cortante.
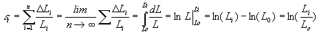
Sí graficamos para cada valor de esfuerzo alcanzando
Su deformación unitaria real ![]()

Obtenemos 
![]()
Aceros Estructurales
(De acuerdo a la American Society of Testing Materials ASMT)
- Aceros generales (A-36)
- Aceros estructurales de carbono (A-529)
- -b.1 Bajo contenido de carbono (<0.15 %)
- -b.2 Dulce al carbono (0.15 – 0.29 %)
- -b.3 Medio al carbono (0.30 – 0.59 %)
- -b.4 Alto contenido de carbono (0.6 – 1.7 %)
- Aceros estructurales de alta resistencia y baja aleación (Mo, V y Cr), (A-441 y A-572) aleación al 5 %.
- Aceros estructurales de alta resistencia y baja aleación, resistentes a la corrosión atmosférica (A-242, A-588).
- Acero templado y revenido (A-514).
|
ASTM |
|
|
|
Ksi |
tensión ksi |
|
NOM B-254 |
|
|
|
32 e > 8" |
|
|
NOM B-99 |
|
e< ½" |
|
|
|
|
NOM B-284 |
|
e < 8" |
Tanques |
|
|
|
NOM B |
|
e< 6" |
|
|
|
|
NOM B-282 |
|
e< 4" |
|
|
|
|
|
|
e< 4" |
|
|
|
| A-53
NOM B-177 |
Tubo de acero con o sin costura negros y galvanizados por inmersión en caliente. |
| A-500
NOM B-199 |
Tubo de acero para usos estructurales formados en frío con o sin costura de sección circular y otras formas. |
| A-501
NOM B-200 |
Tubo de acero al carbono con o sin costura formado en caliente para uso estructural. |
| A-606
NOM B-277 |
Lámina de acero de baja aleación y alta resistencia. Laminada en caliente o en frío, resistente a la corrosión. |
| A-570
NOM B-347 |
Lámina de acero al carbono laminada en caliente para uso estructural. |
| A-27
NOM B-353 |
Piezas coladas de acero de alta resistencia. |
| A-668 | Forjados de acero al carbono y de aleación para uso industrial general. |
A más resistencia de acero menor soldabilidad y más frágil, debido a su alto contenido de carbono.

